Este reactor se puede usar con : INVT GD100-030G-4-PV
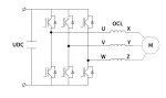
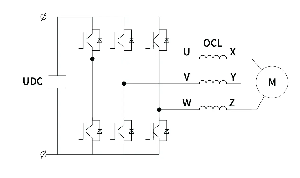
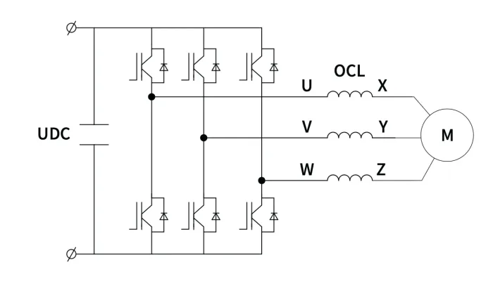
Cuando la distancia entre el variador de frecuencia (VFD) y el motor / la bomba de agua supera los 50 metros, la capacitancia parásita entre el cable largo y tierra puede generar una corriente de fuga significativa, lo que podría activar la protección contra sobrecorriente del VFD a menudo.
Para evitar este problema y proteger el aislamiento del motor, es necesario compensar este efecto mediante la instalación de un reactor de salida.
Si la distancia entre el variador de frecuencia y el motor supera los 50 metros pero no excede los 100 metros, se debe instalar un reactor de salida en el lado de salida del VFD. Para distancias superiores a 100 metros, comuníquese con nuestro soporte técnico.
Características:
- Genera una reactancia inductiva para limitar corrientes, reducir armónicos y filtrar señales en el circuito eléctrico del VFD y el motor.
- Mejora la calidad de la energía al reducir armónicos, sin afectar el voltaje ni la frecuencia del VFD.
- Protege el motor al limitar picos de corriente, suavizar el arranque y optimizar la operación.
Nota: En aplicaciones donde un VFD controla múltiples motores, se debe considerar la longitud total de los cables de los motores (es decir, la suma de todas sus longitudes).
$389.600 c/IVA
Solo quedan 1 disponibles
Solo los usuarios registrados que hayan comprado este producto pueden hacer una valoración.
*La información técnica en la web así como también las imágenes exhibidas son meramente orientativas y es recomendable siempre referirse a los manuales de cada equipo, teniendo en cuenta que los mismos fueron elaborados bajo condiciones óptimas de ensayo realizadas por el fabricante, dichas condiciones, pueden ser variables ya que responden, entre otros, a factores climáticos, de orientación y ubicación, los que pueden incidir directamente en el rendimiento modificando los mismos por razones ajenas a nuestra voluntad, lo que nos exime de cualquier responsabilidad.
La cantidad de paneles recomendada es meramente orientativa y no deben tomarse literalmente, ya que las características técnicas (tensión y corriente) de los paneles solares pueden variar con cada nuevo modelo lanzado al mercado. Para mayor seguridad, consulte con su instalador o solicite asesoramiento a nuestros ingenieros.

Valoraciones
Aún no hay reseñas